Katayama's Page
A thing needed is full.
If it gives, I will search here!
DRAWING,CAD etc LINK PROFILE


  SEARCH

  ADVERTISE

 NOTICE
★推奨閲覧環境★
Internet Explorer5.5〜Windowsです。
CSSを使用しています。
Netscape・Macでは表示されない部分があるかもしれません。
できれば最新版Internet Explorerの閲覧をおすすめします。

★LINK FREE!★
■site name
Katayama's Page
■url
https://cad.pya.jp/
■web master
Katayama
■banner

その他のサイズ
■お気に入りに追加





CAD利用技術者試験1級 注意:古い


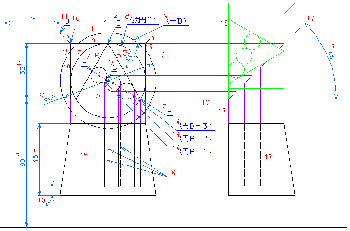
平成13年度(後期) 問 5 作図

 1.X座標が35の直線を描く。
 2.1.で描いた直線から、右に30離れた平行線を描く。(円Dφ60÷2。)
 3.Y座標が80の直線を描きく。
 4.3.で描いた直線から、上に35離れた平行線を描き、2.で描いた直線との交点を点Eとする。
 5.点Eを通り、絶対角−60°の直線を描き、3.で描いた直線との交点を点Fとする。
 6.2.で描いた直線を基準として、5.で描いた直線を、鏡面複写する。
 7.点Fを通り、3.で描いた直線との相対角−15°の直線を描き、2.で描いた直線との交点を点G、6.で描いた直線との交点を点Hとする。
 8.点Gを中心として、点Eを通る接円Cを描く。
 9.点Gを中心として、直径60の円Dを描く。
10.接円Cの左側に接する、垂直線を描き、4.で描いた直線との交点を点Iとする。
11.円Dの上側に接する、水平線を描き、1.で描いた直線との交点を点Jとする。
12.点Iと点Jを結ぶ。
13.1.と10.と12.で描いた直線を、2.で描いた直線を基準として、鏡面複写する。
14.直線FHを7等分し、各点を円の中心点,接点として、円B−1,2,3を描く。
15.正面図で、各点をそれぞれの高さで描き、点と点を繋ぐ。
16.立体的に捉えながら、隠れ線に変更する。 17.右側面図は、横方向の位置が、平面図の縦方向の位置と同じになるので、お互いの投影から基準線を延長し、その交点を通る45°の直線を描き、その45°の直線に反射させる感じで位置を求める。
18.3.以外の方法として、平面図が完成しているので、右側面図の上に、平面図を90°回転させて移動し、そこから横方向の位置を求める方法もある。
今回の問題では、この方法の方が速い。しかし、通常の作図では、平面図から右側面図,右側面図から平面図へと、双方向に参照するので、3.の作図方法を基本として覚える必要がある。
cad_technical_expert_1305b_d_01.dxf (41 kb)
問題 解答 解説 作図
CAD利用技術者試験トップへ


このページのトップへもどる

 
 このサイトに掲載されている記事・写真・図表などの無断転載を禁じます。
Copyright © 2003 Katayama's Page all rights reserved. Designed by TG