Katayama's Page
A thing needed is full.
If it gives, I will search here!
DRAWING,CAD etc LINK PROFILE


  SEARCH

  ADVERTISE

 NOTICE
★推奨閲覧環境★
Internet Explorer5.5〜Windowsです。
CSSを使用しています。
Netscape・Macでは表示されない部分があるかもしれません。
できれば最新版Internet Explorerの閲覧をおすすめします。

★LINK FREE!★
■site name
Katayama's Page
■url
https://cad.pya.jp/
■web master
Katayama
■banner

その他のサイズ
■お気に入りに追加





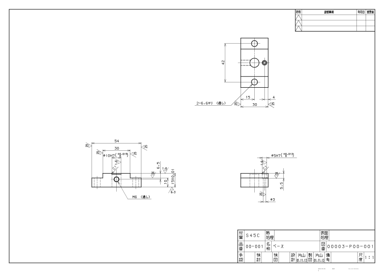
ホーム > DRAWING,CAD > 機械製図 > 勉強方法 > 仮組図から部品図作成

仮組図から部品図作成



戻る



このページのトップへもどる

 
 このサイトに掲載されている記事・写真・図表などの無断転載を禁じます。
Copyright © 2003 Katayama's Page all rights reserved. Designed by TG